Описание
Аксиально-поршневые насосы A10VSO предназначены для работы с жидкостями HLP. Данные насосы обладают высочайшей надежностью и необходимым запасом мощности для работы в системах с разным уровнем давления. Наша компания предлагает широкую линейку серий и моделей, отличающихся конструкцией, функционалом и габаритами. Все изделия характеризуются большим эксплуатационным ресурсом, низким уровнем шума и взаимной совместимостью. Модель отличается низкой шумностью, небольшими габаритами и высоким КПД.
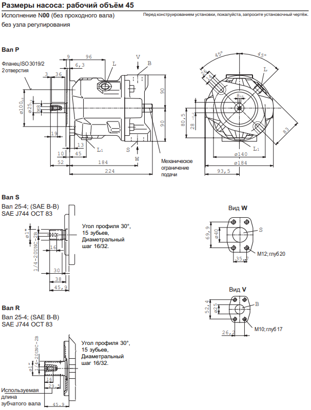
| Всасывающая и напорная линия | Фланцевые соединения SAE, метрический присое- динительный разъем |
| Максимальное давление | 350 бар |
| Масса, кг | 30 кг. |
| Монтажный фланец | ISO 3019-1 2 отверстия |
| Направление вращения | Правое вращение |
| Номинальное давление | 280 бар |
| Обозначение продукции | A10VSO45DFR1/31R-PSC12N00 |
| Объем / Типоразмер | 45 |
| Номинальная подача (при V-1500 об/мин) | 68 л/мин |
| Приводной вал | Цилиндрический конец вала со шпонкой DIN 6885 |
| Тип регулятора | Регулятор давления, и расхода (DFR1) |




