Описание
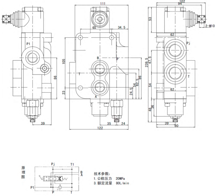
Моноблочный гидрораспределитель серии Р80 с ручным управлением предназначен для контроля за распределением и расходом рабочей жидкости. Конструктивно данный тип распределителей выполнен в литом монолитном корпусе, с предохранительным клапаном, от 1 до 6 рабочих секций. Номинальный расход данного типа гидравлического распределителя — 80 л/мин.

