Описание
Гидрораспределитель ВЕ6.574.Г24 бренда MitSan Hydraulics
Расшифровка обозначения:
- ВЕ — Гидрораспределитель с электромагнитным управлением
- 6- Условный проход
- 574 — Схема работы
- Г24 — напряжение
Основные технические характеристики:
- Давление в линиях А, В, Р — 31,5 МПа (315 Бар)
- Давление в линии Т — 15 Мпа (150 Бар)
- Расход жидкости (постоянный ток) — 80 л/мин
- Расход жидкости (переменный ток) — 60 л/мин
- Диапазон температур рабочей жидкости — 30 + 80 С
- Рабочая жидкость на минеральной основе (HL, HLP) согласно DIN 51524;
биологически быстро разлагаемая рабочая жидкость согласно VDMA 24568;
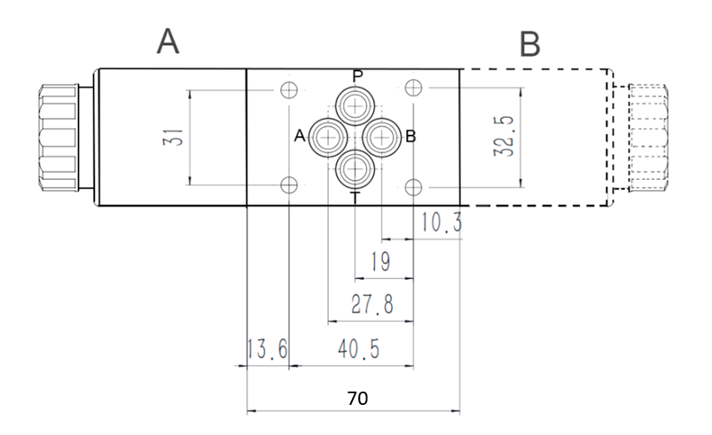
HETG (рапсовое масло); HEPG (полигликоль); HEES (синтетические эфиры)Увеличить схему: Внешние габаритные размеры Увеличить схему: Габаритные размеры плиты

