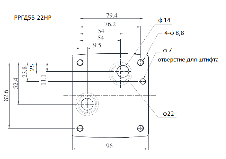
Купить Регулятор расхода МПГ55-22 (РРГД55-22, 32, 24, 34) в Минске - Mitsan

Регулятор расхода МПГ55-22 (РРГД55-22, 32, 24, 34)

Регулятор расхода МПГ55-22 (РРГД55-22, 32, 24, 34) в Минске

SKU : МПГ55

ДУ:10 мм, 16мм

Расход: 32 л/мин, 120 л/мин

Рмах: 33,5 Мпа (335 Бар)

 

Описание

Регуляторы давления и температуры РРГД (МПГ55) компенсируют и поддерживают
постоянный расход независимо от изменения давления в системе (нагрузки) и
температуры (вязкости жидкости). Контролируют расход в гидравлическом контуре и
точную скорость управления приводом.
Регуляторы с объединенным обратным клапаном позволяют контролировать подачу
только в одном направлении.
Переустановить расход можно с помощью регулятора с цифровым индикатором.
Настраиваемый предохранительный клапан позволяет уменьшить скачки при запуске
привода.
Минимальная требуемая разница давлений
Для получения оптимальной компенсации давления требуется минимальный перепад
давления между входным и выходным отверстиями.
Оно варьируется в зависимости от заданного расхода. Для получения более подробной
информации, пожалуйста, ознакомьтесь с кривыми производительности.
Свободный поток
Перепады давления в обратном клапане зависят от скорости потока. Если используются
модели с обратными клапанами, смотрите характеристики перепада давления в
свободном потоке.
Регулировка расхода
Ослабьте стопорный винт и поверните ручку регулировки расхода по часовой стрелке для
увеличения и против часовой стрелки для уменьшения.
Состояние разомкнутости отображается на цифровой шкале встроенного индикатора
оборотов (см. характеристики «Измеряемый расход в зависимости от положения
циферблата»).
После регулировки расхода затяните стопорный винт.
Линейный фильтр
Чтобы регулировать расход всего на 2 л/мин или меньше, обязательно используйте
линейный фильтр с тонкостью фильтрации 10 мкм или тоньше и установите его рядом с
впускным отверстием регулятора.

 

 

 

 

 

 

 

 

 

 

Похожие товары
Регуляторы расхода VPR3 используются для регулировки и поддержания заданного значения расхода постоянным. При превышении расхода рабочая жидкость сливается через порт «B». Регуляторы расхода VPR3 позволяют использовать расход жидкости, сливающийся через порт «B», для привода других нагруженных гидродвигателей.
SKU: 7816
Регулятор расхода с обратным клапаном VRFU 90° COMPENSATO используется для регулировки расхода рабочей жидкости в одном направлении; в обратном направлении поток свободен. Внутренняя система компенсации позволяет поддерживать постоянный расход даже при изменении давления и вязкости жидкости. Высокая чувствительность регулировки.
SKU: 4bf7a9f5
Регулятор расхода с обратным клапаном VRFU 90° COMPENSATO используется для регулировки расхода рабочей жидкости в одном направлении; в обратном направлении поток свободен. Внутренняя система компенсации позволяет поддерживать постоянный расход даже при изменении давления и вязкости жидкости. Высокая чувствительность регулировки.
SKU: 2944d1f2

Обратная связь

Заполните короткую форму — свяжемся, ответим на вопросы, поможем с выбором и подготовим предложение.