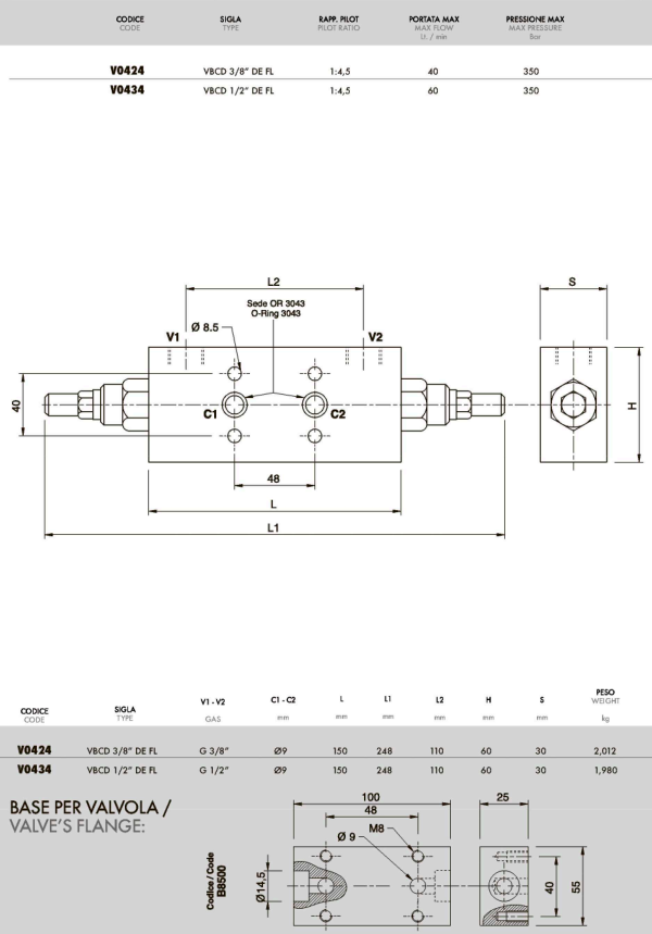
Описание
Двухсторонний тормозной клапан. Основное применение эти клапаны находят в системах, где на гидроцилиндрах требуется длительное удержание нагрузки и возможно возникновение нагрузки, совпадающей по направлению с движением исполнительного органа гидродвигателя (попутной нагрузки). Главное функциональная особенность – это обеспечение плавного подъёма и опускания гидроцилиндра, без рывков (при наличии попутной нагрузки). Давление настройки регулируется вращением шестигранного ключа одного из двух клапанов: вращение регулировочного винта против часовой стрелки (раскручивание) – снижение настроечного давления; вращение регулировочного винта по часовой стрелке (закручивание) – повышение значения настроечного давления. Фланцевые соединения позволяют напрямую устанавливать клапан на привод.

